Bonjour, je deviens fou. Pouvez vous m'aidez à comprendre la tension et le courant sur ce circuit?
r1#r2#r3
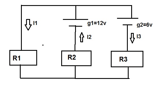
Les flèches de courant sont ajoutée par moi
On peut noter les branches A, B et C de droite à gauche
On peut noter A la maille de droite et C celle de gauche
De ce que je comprend déjà. g1 ayant la tension la plus forte, vas imposer le sens du courant ( indiquer par les flèches ).
Ensuite d'après la 2nd loi de kirschoff, I2 = I1 + I3 J'ai bon?
Après ça je suis larguer pour comprendre comment fonctionne le système et comment se calcule tension et courant avec plusieur source de tension.
Une petite aide?
Merci d'avance et bon weekend
